Priechod PN
Dióda
Diak, Triak, Tyristor
Tranzistor
Súčiastky riadené neelektric-
-kými veličinami
Tranzistor
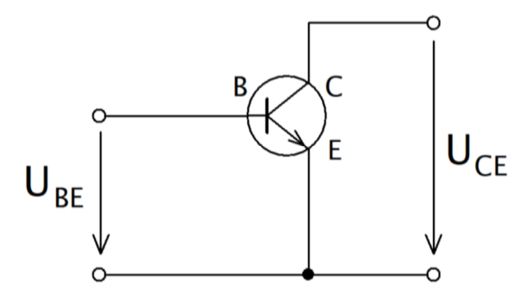
Tranzistor je trojvrstvová polovodičová súčiastka používaná ako napríklad spínač, zosilňovač, stabilizátor. Rozdeľujeme ich na Bipolárne tranzistory a Unipolárne tranzistory.
Bipolárne tranzistory
Pracujú s obidvomi typmi majoritných nosičov - s elektrónmi a dierami. Vnútorná vrstva sa líši typom nevlastnej vodivosti od vrstiev vonkajších, nazýva sa Báza (B). Vonkajšie vrstvy sú Emitor (E) a Kolektor (C).
Emitor má v porovnaní s kolektorom väčšiu vodivosť. Poznáme NPN, PNP.
Tranzistor NPN
Je to druh bipolárneho tranzistora, ktorý obsahuje dva polovodiče typu N a jeden typu P. Polovodiče N obklopujú polovodič P.

Schematická značka Tranzistora NPN
Dióda kolektor-báza je polarizovaná v závernom smere, aby z bázy do emitoru mohli prechádzať iba minoritné nosiče náboja.
V tomto prípade sú to však elektróny a technický smer prúdu sa označuje proti smeru ich pohybu.
Ak otvoríme napätím UBE prechod báza-emitor, privedieme do oblasti bázy z emitora elektróny, ktorých prevažná časť pokračuje do kolektoru, kde vytvorí výstupný prúd IC.
Iba malá časť z počtu prichádzajúcich elektrónov sa uzaviera prívodom k báze do kladného pólu zdroja UBE a tvorí prúd bázy IB.

Pn prechody Tranzistora NPN (Zdroj: Elektronika, Maťátko)
Tranzistor je nutné zapojiť tak, aby boli obmezené prúdy do kolektoru a bázy. Kolektorový rezistor predstavuje záťaž a obmezuje kolektorový prúd IC pri plne otvorenom tranzistore.
Bázový rezistor nastavuje bázový prúd IB, ktorým sa otvára tranzistor a umožnuje tiecť kolektorovému prúdu.
Bázový a kolektorový prúd sa sčítajú a vytekajú ako emitorový prúd IE.
IB + IC = IE
Pomer kolektorového a bázového prúdu sa udáva ako prúdový zosilňovací činiteľ h21E
h21E = IC / IB
Simulácia funkcie tranzistoru NPN

I. kvadrant - výstupná charakteristika, meria sa pri konštantnom vstupnom prúde IB
II. kvadrant - prevodová charakteristika, meria sa pri konštantnom výstupnom napätí UCE
III. kvadrant - vstupná charakteristika, meria sa pri konštantnom výstupnom napätí UCE
IV. kvadrant – spätne prevodová, meria sa pri konštantnom vstupnom prúde IB
Základné zapojenia tranzistora NPN
Zapojenie tranzistora so spoločným emitorom SE

Zapojenie tranzistora so spoločnou bázou SB

Zapojenie tranzistora so spoločným kolektorom SC

Tranzistor PNP
Je to druh bipolárneho tranzistora, ktorý obsahuje dva polovodiče typu P a jeden typu N. Polovodiče P obklopujú polovodič N.

Schematická značka PNP
Napätím niekoľko desatín voltov otvoríme prechod emitor-báza. Diery, ktoré sú majoritnými nosičmi náboja v emitore, začnú prechádzať vo veľkom množstve do oblasti bázy.
Vytvárajú emitorový prúd tranzistora IE. V oblasti bázy sú prichádzajúce diery minoritnými nosičmi a prechod báza-kolektor je pre nich otvorený.
Pretože báza má pomerne malú hrúbku, prechádza takmer celý emitorový prúd až do kolektora tranzistora.
Výkon v obvode mnohonásobne stúpne. Veľkosť emitorového prúdu je možné riadiť napätím UBE.
Podľa konstrukčného spracovania tranzistora môže byť prúd IE niekoľko miliampérov až niekoľko desiatok ampérov.
Z celkového počtu dier prichádzajúcich z emitoru do bázi stačí v oblasti bázi rekombinovať iba veľmi malú časť.
Úbytok elektrónov v bázi vzniknutý rekombináciou s dierami je vyrovnaný prúdom IB, ktorý je tvorený elektrónmi príchadzajúcimi zo záporného pólu zdroja UBE.
Z obrázku PN prechodov PNP vyplýva, že IE = IC + IB.

PN prechody Tranzistora PNP (Zdroj: Elektronika, Maťátko)
Unipolárne Tranzistory
Sú to tranzistory riadené elektrickým poľom (field effect transistor - FET), používajú len jeden typ nosičov (buď elektróny alebo diery).
Prúd sa ovláda pomocou napätia medzi riadiacou elektródou Gate (G) a emitorom Source (S). FET majú vysoký vstupný odpor.
Kolektor FET tranzistora sa nazýva Drain (D).
JFET
Je to tranzistor riadený elektrickým poľom s prechodovým hradlom. Tranzistor JFET je tvorený základnou doskou polovodiča jedného typu, na ktorom je zo dvoch strán vytvorená brána (hradlo) z polovodiča opačného typu (P).
Bránou prechádza kanál, ktorým preteká prúd.

Schematická značka JFET N kanál

Schematická značka JFET P kanál
Pokiaľ na riadiacu elektródu nie je privedené napätie, okolo prechodu PN vznikne ochudobnená oblasť, ktorá obmedzuje prechádzajúci vodivý kanál a definuje maximálnu veľkosť pretekajúceho prúdu.
Privedením napätia na riadiacu elektródu v zápornej polarite sa zväčší ochudobnená oblasť na úkor vodivého kanálu a tak sa zmenší veľkosť prúdu pretekajúceho kanálom.
Pretože elektróda D má voči riadiacej elektróde opačné napätie, je na tejto strane ochudobnená oblasť väčšia a vodivý kanál užší.
Pri zvyšovaní napätia medzi S a D u vodivého kanála sa táto jednostranná deformácia zväčšuje.
Do riadiacej elektródy netečie prakticky žiadny prúd (prechod PN je v závernom smere), tranzistor je riadený iba napätím. Pri určitej veľkosti napätie dôjde k zavretiu kanála.

Pri nulovom napätí na riadiacu elektródu UGS je výstupný prúd ID najväčší, so znižujúcim sa riadiacim napätím klesá k nule.

Pre dané napätie riadiacej elektródy UGS a pri zvyšujúcom napätí UDS, sa prúd ID spočiatku prudko zvyšuje,
ale vplyvom nerovnomerne zmenšujúceho sa kanálu sa rast prúdu spomaľuje, až dôjde k nasýteniu kanála a prúd sa už nemení.
MOSFET s vodivým kanálom
Je to FET s izolovaným hradlom. MOSFET znamená Metal-Oxide (oxid-kov) - Semiconductor (polovodič) - FET. Používajú sa dva základné typy s vodivým kanálom a s indukovaným kanálom.
Vstupný odpor tranzistora je veľký. Tranzistory sa dodávajú so skratovanými vývodmi a pracuje sa na vodivej uzemnenej podložke.

Schematická značka MOSFET N kanál

Schematická značka MOSFET P kanál
Privedenie napätia na riadiacu elektródu v zápornej polarite spôsobí režim ochudobňovania kanála
- elektrické pole vytvorené pod izolovanou riadiacou elektródou odpudzuje z vodivého kanálu elektróny a vytláča ich do základnej dosky.
Dôsledok je zmenšenie prúdu vodivým kanálom.
Privedenie napätia na riadiacu elektródu v kladnej polarite spôsobí režim obohacovania kanála
- elektrické pole vytvorené pod izolovanou riadiacou elektródou vytrháva elektróny zo základnej dosky a obohacuje množstvo nosičov vo vodivom kanále.
Dôsledok je zväčšenie prúdu vodivým kanálom.

Pri rastúcom kladnom napätí riadiacej elektródy sa množstvo nosičov vodivého kanálu obohacuje, s rastúcim záporným napätím naopak ochudobňuje. Pri dosiahnutí zápornej hodnoty prahového napätia UT sú všetky nosiče z kanála vytlačené a prúd prestane tiecť.

Pre dané napätie riadiacej elektródy UGS a pri zvyšujúcom napätí UDS sa prúd ID spočiatku prudko zvyšuje,
ale vplyvom nerovnomerne zmenšujúceho sa kanálu sa rast prúdu spomaľuje, až dôjde k nasýteniu kanálu a prúd sa už nemení.
Simulácia funkcie MOSFET-u
Zopakujme si tranzistory!